|
E22-900M30S это модуль LoRa на чипе SX1262 от компании EBYTE [1], работающий в диапазоне частот 868/915 МГц, с выходной мощностью 1 ватт, обмен данными и управление осуществляется через интерфейс SPI.
[1. Общее описание]
Модуль E22-900M30S основан на SX1262, новой генерации RF-чипа LoRaTM от компании Semtech (США).

SX1262 в модуле работает совместно с усилителем мощности 1 ватт (Power Amplifier, PA). Благодаря наличию малошумящего усилителя на приеме (Low Noise Amplifier, LNA) чувствительность значительно улучшена. Общая надежность связи повышена по сравнению с предыдущими версиями модулей, в которых не было PA и LNA. Модуль E22-900M30S хорошо подходит для организации связи LoRaTM и модуляций FSK и GFSK, и обладает сертификатами FCC, CE и RoHS. Тактирование осуществляется от точного кварца 32 МГц, обеспечивается поддержка широкого диапазона рабочих частот 850 ~ 930 МГц и обратная совместимость с чипами SX1278 и SX1276.
Основные функциональные возможности:
● В идеальных условиях дальность связи может достигать 12 км. ● Максимальная мощность передачи 1 ватт, которая настраивается программно несколькими уровнями. ● Поддерживается свободный от лицензирования глобальный диапазон ISM 868/915 МГц. ● Поддерживается передача данных на скоростях от 0.018 kbps до 62.5 kbps в режиме LoRaTM. ● Поддерживается режим FSK для скоростей до 300 kpbs. ● Сохраняется обратная совместимость с RF-трансиверами серий SX1278/SX1276. ● Большая емкость FIFO, поддержка 256 байт кэша данных. ● Введен новый SF5 коэффициент расширения спектра (spread spectrum factor) для поддержки плотных сетей. ● Поддержка питания от 2.5 до 5.5V, самые лучшие параметры связи обеспечиваются при напряжении питания выше 5.0V. ● Дизайн индустриального стандарта, поддержка расширенного температурный диапазона -40 .. +85°C для долговременной работы. ● Модуль содержит встроенные PA (Power Amplifier, усилитель мощности) + LNA (Low Noise Amplifier, малошумящий усилитель), которые значительно увеличивают дальность связи и стабильность обмена данными. ● Опция для 2 вариантов подключния антенн (IPEX / контакт модуля stamp hole) для упрощения разработки и интеграции.
Внимание: используется коаксиальный коннектор IPEX первого поколения [4].
Варианты использования:
● Домашние системы безопасности и дистанционный бесключевой доступ. ● Умный дом, индустриальные датчики, и т. п. ● Беспроводные системы сигнализации (alarm security systems). ● Встраиваемые системы автоматизации. ● Беспроводные индустриальные системы дистанционного управления. ● Системы для здравоохранения. ● Продвинутая измерительная архитектура (Advanced meter reading architecture, AMI) ● Переносные промышленные устройства.
[2. Параметры]
Таблица 2.1. Предельные параметры.
| Основные параметры |
Производительность |
Замечания |
| min |
MAX |
| Напряжение питания (V) |
0 |
5.5 |
Необратимое повреждение модуля при превышении 5.5V. |
| Blocking power (dBm) |
- |
10 |
Вероятность повреждения мала при использовании в непосредственной близости. |
| Рабочая температура (℃) |
-40 |
+85 |
Соответствует индустриальным стандартам. |
Таблица 2.2. Рабочие параметры.
Основные параметры
|
Производительность
|
Замечания |
| min |
Typ |
MAX |
| Напряжение питания (V) |
2.5 |
5.0 |
5.5 |
Рекомендуется использовать напряжение 5.0V. |
| Уровни логики (V) |
|
3.3 |
|
При уровнях логики 5V рекомендуется применять преобразователи уровня. |
| Рабочая температура (℃) |
-40 |
- |
+85 |
Соответствует индустриальным стандартам. |
| Рабочий диапазон частот (МГц) |
850 |
868/915 |
930 |
Поддержка диапазона ISM. |
| Энергопотребление |
Ток при передаче (mA) |
|
650 |
|
Мгновенное значение тока. |
| Ток при приеме (mA) |
|
14 |
|
|
| Ток режима сна (μA) |
|
3 |
|
После программного выключения (shutdown). |
| Максимальная мощность передачи (dBm) |
29.5 |
30.0 |
31 |
|
| Чувствительность приема (dBm) |
-149 |
-150 |
-151 |
Airspeed 0.3 kbps. |
| Airspeed (bps) |
0.6k |
- |
300k |
Программно задается пользователем. |
| 0.018k |
- |
62.5k |
Таблица 2.3. Другие параметры.
| Основные параметры |
Описание |
Замечания |
| Расстояние связи |
12 км |
Чистое и открытое место установки, усиление антенны 5 dBi, высота антенны 2.5 м, скорость передачи данных по воздуху (air rate) 0.3 kbps. |
| FIFO |
256 байт |
Максимальная длина одиночной передачи |
| Частота кварца |
32 МГц |
|
| Режим модуляции |
LoRa |
Рекомендуемый режим |
| Монтаж на печатную плату |
SMD |
|
| Шаг выводов |
2.54 мм |
|
| Интерфейс |
SPI |
Скорость 0 ~ 10 Mbps |
| Размеры |
38.5 x 24 x 3.6 мм |
|
| Интерфейс антенны |
IPEX |
Эквивалентный импеданс (волновое сопротивление) 50Ω |
[3. Размеры и назначение выводов]
Количество выводов 22, размеры указаны в миллиметрах:

Таблица 3.1. Назначение выводов.
| № |
Имя |
Направление |
Назначение вывода |
| 1 |
GND |
|
Земля, общий провод для питания и сигналов. |
| 2 |
|
| 3 |
|
| 4 |
|
| 5 |
|
| 6 |
RXEN |
Вход |
Управление ключом RF приема, подключение в внешнему MCU, активный уровень лог. 1. |
| 7 |
TXEN |
Вход |
Управление ключом RF передачи, подключение в внешнему MCU или к DIO2, активный уровень лог. 1. |
| 8 |
DIO2 |
Вход/выход |
Конфигурируемый порт ввода/вывода общего назначения (подробности см. в руководстве SX1262). |
| 9 |
VCC |
|
Напряжение питания в диапазоне от 3.3V до 5.5V (рекомендуется параллельно подключить внешний фильтрующий керамический конденсатор). |
| 10 |
|
| 11 |
GND |
|
Земля, общий провод для питания и сигналов. |
| 12 |
|
| 13 |
DIO1 |
Вход/выход |
Конфигурируемый порт ввода/вывода общего назначения (подробности см. в руководстве SX1262). |
| 14 |
BUSY |
Выход |
Для индикации статуса (подробности см. в руководстве SX1262). |
| 15 |
NRST |
Вход |
Сброс чипа, активный уровень лог. 0. |
| 16 |
MISO |
Выход |
Выход данных SPI. |
| 17 |
MOSI |
Вход |
Вход данных SPI. |
| 18 |
SCK |
Вход |
Вход тактов SPI. |
| 19 |
NSS |
Вход |
Выборка чипа модуля, разрешение коммуникации через интерфейс SPI. |
| 20 |
GND |
|
Земля, общий провод для питания и сигналов. |
| 21 |
ANT |
|
Сигнал антенны, stamp hole (50Ω импеданс). |
| 22 |
GND |
|
Земля, общий провод для питания и сигналов. |
[4. Основные операции]
4.1. Разработка аппаратуры
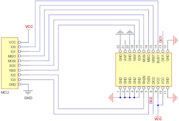
Схема подключения к микроконтроллеру (MCU), совпадает со схемой подключения E22-900M22S:

Примечания к схеме подключения:
1. IO0, IO1, IO2, IO3 сигналы MCU это порты общего назначения (GPIO). 2. DIO1, DIO2 это обычные порты ввода/вывода, которые могут быть сконфигурированы для нескольких функций. DIO2 можно подключить к TXEN,а не к выводу GPIO от MCU. Это используется для управления RF-ключом, подробности см. в даташите на чип SX1262. Если порты DIO1, DIO2 не используются, то они могут оставаться не подключенными. 3. DIO3 выдает питание для кварцевого генератора 32 МГц TCXO.
Замечания по разработке:
● Рекомендуется использовать стабилизированный источник постоянного тока (DC) для питания модуля с минимальными пульсациями напряжения. ● Будьте внимательны с полярностью напряжения питания, ошибочная полярность может необратимо повредить модуль. ● Не допускайте превышения напряжения питания, поскольку это может необратимо повредить модуль. ● Напряжение питания должно быть стабильным. ● Рекомендуется обеспечить 30% запас по току источника питания для обеспечения надежного длительного функционирования. ● Модули должны находиться по возможности как можно дальше от импульсного источника питания, трансформаторов, высокочастотных генераторов и других узлов, которые могут создавать электромагнитные помехи. ● Если предположительно модуль смонтирован на верхней стороне печатной платы (Top Layer), то случайная прокладка высокочастотных трасс на нижнем слое платы (Bottom Layer) будет плохим решением, что может вносить помехи и снизить чувствительность приема. ● Если имеются проводники, создающие значительные помехи возле модуля (высокочастотные цифровые и/или аналоговые сигналы, шины питания импульсных преобразователей), то это может отрицательно повлиять на параметры модуля (дальность связи). Рекомендуется применять тщательное экранирование и изоляцию от источников помех. ● Уделите внимание хорошему заземлению и экранированию. Фильтрующий напряжение питания керамический конденсатор должен находится как можно ближе к выводам VCC и GND модуля. ● Если сигнальные линии используют уровни 5V, то они должны быть подключены к модулю через последовательные резисторы 1k .. 5.1k (использование уровней логики 5V не рекомендуется, поскольку есть риск повреждения модуля). ● Постарайтесь держать модуль подальше от высокочастотных физических цепей, например протокола 2.4GHz TTL, USB3.0. ● Конструкция крепления антенны оказывает большое влияние на производительность модуля. Убедитесь, что антенна открыта (не экранирована), желательно направлена вертикально вверх. Когда модуль установлен внутри корпуса, вы можете использовать высококачественный удлинительный кабель для антенны, чтобы вывести антенну из корпуса наружу. ● Антенна не должна устанавливаться внутри металлического корпуса, это приведет к значительному ослаблению расстояния передачи. ● Рекомендуется использовать защитные резисторы 200 Ом на сигналах подключения RXD/TXD внешнего MCU.
4.2. Написание ПО
● Этот модуль совместим с SX1268/SX1262, содержит PA+LNA, его метод управления полностью эквивалентен SX1268/SX1262, так что можно руководствоваться документацией чипов SX1268/SX1262. ● DIO1 и DIO2 это порты ввода/вывода общего назначения, которые можно конфигурировать для различных функций. Так, например, DIO2 можно подключить к TXEN, а не к порту MCU, для управления излучением RF (см. руководство по чипу SX1262). ● DIO3 внутренне используется для питания 32MHz TCXO (DIO3 сконфигурирован для вывода 1.8V).
[5. Часто задаваемые вопросы (FAQ)]
5.1. Слишком мала дальность связи
● Расстояние, на которых возможна связь, зависит от наличия препятствий на пути радиоволн. Например, эффективность антенны сильно снижается, когда она находится рядом с металлическими объектами или помещена внутрь металлического корпуса. ● На частоту потерь пакетов влияет температура, влажность и наличие помех по соседнему каналу. ● Земля поглощает и отражает радиоволны, так что эффективность связи снижается, когда передающая антенна находится слишком низко по отношению к земле. ● Морская вода хорошо поглощает радиоволны, поэтому производительность ухудшается, когда устройство находится близко к уровню воды. ● Регистр выходной мощности (Power register) был установлен некорректно, скорость передачи данных по радио установлена слишком высокой (чем выше air data rate, тем меньше возможное расстояние для радиосвязи). ● Напряжение питания слишком ниже, чем рекомендуется для текущей температуры. Чем меньше напряжение питания, тем ниже передаваемая мощность сигнала. ● Плохое качество антенны или плохое согласование модуля с антенной, некачественный, длинный или неподходящий кабель до антенны.
5.2. Модуль легко вывести из строя
● Проверьте напряжение питания, оно не должно быть выше рекомендуемого значения. Если напряжение превысит максимальное значение, то модуль будет необратимо поврежден. ● Проверьте стабильность напряжения питания, оно не должно слишком сильно изменяться. ● Уделите внимание защите от статического электричества при монтаже и эксплуатации модуля. ● Обеспечьте влажность окружающей среды в допустимом диапазоне. Некоторые компоненты модуля чувствительны к влажности. ● Избегайте использования модуля при слишком высокой или слишком низкой температуре.
5.3. Количество ошибок (Bit Error Rate, BER) слишком высокое
● Рядом находится источник помех в рабочем диапазоне частот. Удалите источник помех или перейдите на работу с другой частотой. ● Форма сигнала тактов SPI отличается от стандартной, есть помехи на сигналах SPI, длина цепей сигналов SPI не должна быть слишком большой. ● Некачественное питание может привести к повреждению данных, проверьте надежность источника питания. ● Плохое качество кабеля подключения или антенного фидера может привести к высокому BER.
[6. Отличие модулей E22-900M30S и E220-900M30S]
Главное и по сути единственное отличие модулей E22-900M30S и E220-900M30S кроется в используемом чипе, что влечет за собой небольшие различия в характеристиках и позиционировании. Визуально и по габаритам они практически идентичны.
| Параметр |
E22-900M30S |
E220-900M30S |
| Базовый чип |
SX1262 (Semtech) |
LLCC68 (Semtech) |
| Макс. мощность |
30 dBm (1 Вт) |
30 dBm (1 Вт) |
| Чувствительность |
-151 dBm (макс.) |
-129 dBm (макс.) |
| Дальность связи |
12 км |
10 км |
| Ток передачи |
650 мА |
700 мА |
| Напряжение питания |
2.5V – 5.5V |
3.0V – 5.5V |
| Поколение |
Предыдущее поколение (E22) |
Новое поколение (E220) |
| Размеры |
38.5 x 24 мм |
38.5 x 24 мм |
1. Главное отличие — чип и производительность:
● E22-900M30S построен на более старом, но мощном и проверенном чипе SX1262. Это флагманское решение Semtech, обеспечивающее превосходную чувствительность (-151 dBm) и, как следствие, большую дальность связи (12 км). Он потребляет чуть меньше тока в режиме передачи (650 мА). ● E220-900M30S использует более новый чип LLCC68. Его можно назвать "облегченной" или более энергоэффективной версией SX1262. Он немного уступает в чувствительности (-129 dBm) и дальности (10 км), но при этом является более современным и, возможно, более оптимизированным решением для большинства стандартных задач.
2. Особенности питания:
● Модуль на SX1262 (E22) имеет более широкий диапазон питающих напряжений (начиная с 2.5V), что может быть критично для некоторых схем с нестабильным питанием. ● Модуль на LLCC68 (E220) требует напряжение от 3.0V, что является стандартом для большинства 3.3-вольтовой логики.
Что это значит для Meshtastic в России? Если вы собираете устройство для Meshtastic, оба модуля формально совместимы, так как работают в нужном диапазоне 868 МГц. Однако нюансы есть:
● E22-900M30S (SX1262) может дать вам больше уверенности в качестве связи на предельных расстояниях или в условиях сильных помех благодаря своей легендарной чувствительности. Это проверенный "боец". ● E220-900M30S (LLCC68) — это более новое и, возможно, более доступное решение. Потеря в 2 км дальности (в идеальных условиях) и чуть худшая чувствительность на практике могут быть незаметны, особенно в городских условиях, где дальность все равно ограничивается застройкой.
Итог: если для вас важна максимальная теоретическая дальность и надежность — выбирайте E22-900M30S (SX1262). Если вы хотите использовать более современный чип и, возможно, сэкономить без существенной потери качества для обычных городских задач — подойдет E220-900M30S (LLCC68). Прошивка Meshtastic должна работать с обоими, так как поддерживает и SX1262, и LLCC68.
[7. Указания по пайке]
Таблицу по параметрам температуры пайки (Reflow Temperature) и график профиля пайки (Reflow Profile) см. в даташите [1].
[Ссылки]
1. E22-900M30S User Manual site:cdebyte.com. 2. E22-900M30S который мне спать не давал site:blog.taubetele.com. 3. E22-400M33S: руководство пользователя. 4. Различия радиочастотных коннекторов IPEX и IPEX4. 5. DX-LR20-900M22S: руководство пользователя. |